- Fast deliveries
- Great support
- Worldwide shipping
Product description
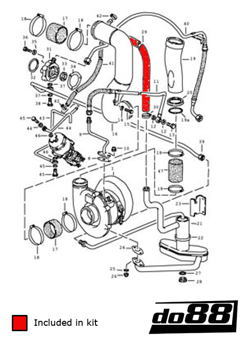
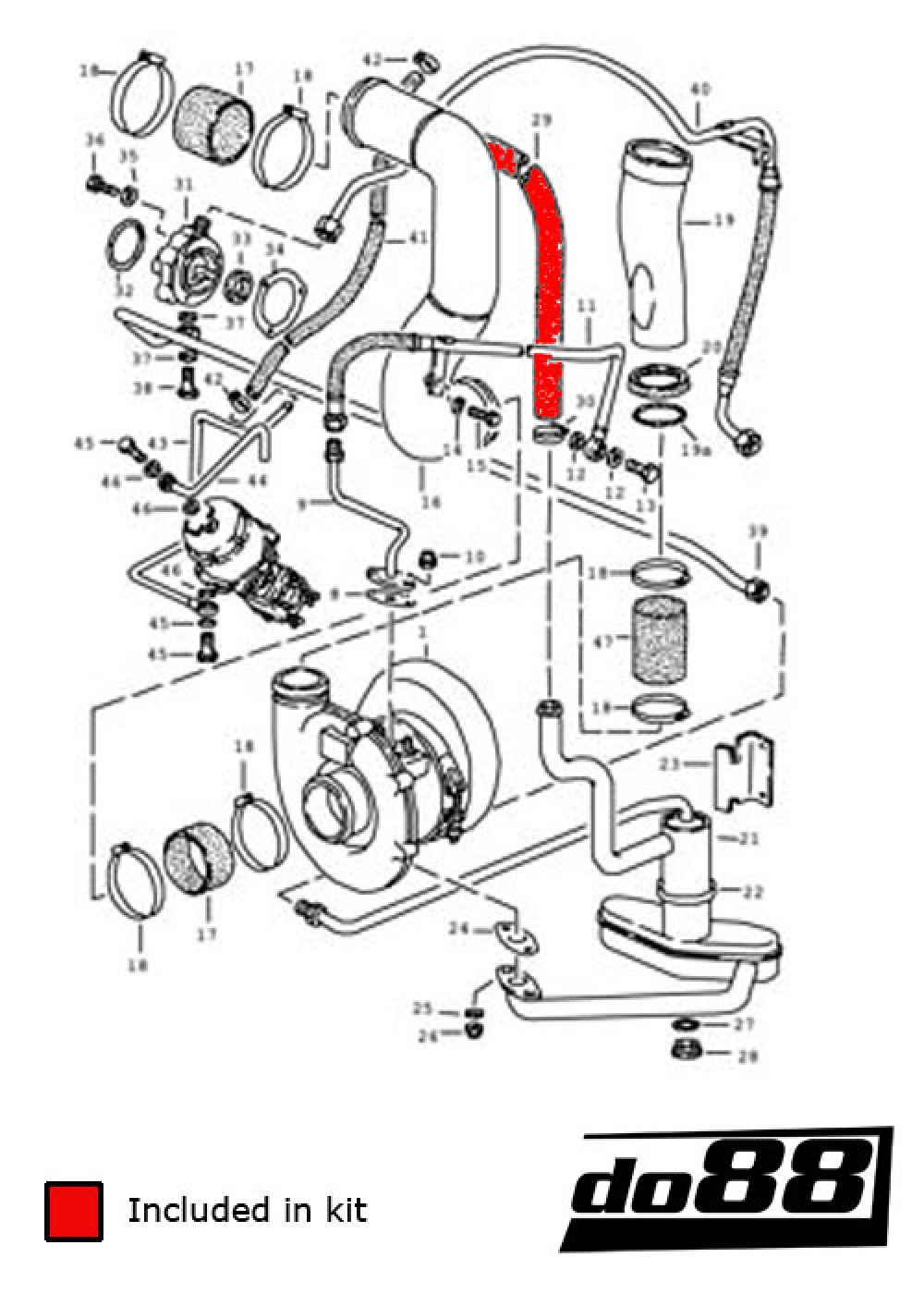
A hose kit developed by do88 to replace OEM oil separator and breather hoses!
These hoses are entirely manufactured in high quality silicone for best finish and durability. With three to five layers of armory, depending of the inner diameter, the hoses withstand high pressure rates and high temperatures for a long time. The original hoses are manufactured in rubber that not seldom cracks from age. This is the durable solution for you that in addition improves the looks!
When color selection has to be made, see the drop list above for availability. There is no difference in performance between the colors.
A kit with matching hose clamps is found under "Accessories": hose clamp kit do88-kitxxx. Make sure that the numbers of the kit matches with the number of the hose clamp kit.
All part numbers from the vehicle manufacturer are only stated as reference.
Fits model
Model years: 1978-1989
Engine: 3.3 Turbo
* The pressed hose clamps needs to be cut on the two original hoses and then the hose connection and the steel pipe must be reused. They are installed on the new silicone hoses with regular hose clamps. We recommend that you buy our kit with hose clamps, which includes what you need.
OE-ref. / Replaces
Reference: 93010739504, 93010799500
Oil separator hose
Reference: 93010739100
Oil separator hose
Reference: 93010738904
Oil tank hose *
Reference: 93010738906
Oil tank hose
Reference: 93010723302
Oil tank hose
Reference: 93010739402, 99923600750, 00004320495
Breather hose *
Reference: 93010739701


English USA
English Europe
Swedish
Finnish
Norwegian
German
French

Silicone hose Blue
Silicone hose Black
Silicone hose Red
Fuel hoses
Air ducting
Plastic hose fittings
Hose clamps and accessories
Hose joiners
Weld nipples Alu
Hose take off
Plug
Silicone caps
One way non return valve
2mm wall thickness, Polished
3mm wall thickness
Reducer
Aluminum sheet
Alpine
Audi
BMW
CUPRA
Ford
Mazda
Opel
Porsche
Saab
Seat
Skoda
Suzuki
TOYOTA
Volvo
VW
Exhaust parts
Heat shield
Air filter
Intercoolers universal
Garrett Intercooler Core
Blow Off Valves / Boost control
Oil cooler
Air filter, Sale
Blow Off Valves / Wastegate, Sale
Oil cooler, Sale
Hose clamps, Clearance sale
(0 pc.)
































